
鞏義市仁源水處理材料廠
聯系人:孫經理
手機:15838253283(微信同號)
電話:0371-66557686
郵箱:1813885391@qq.com
地址:河南省鞏義市工業園區
全新3A分子篩生產廠家循環水系統中的鍍鋅塔腐蝕控制指南
全新3A分子篩廠家循環水系統中的鍍鋅塔腐蝕控制指南。近年來,由于鍍鋅鋼優異的耐腐蝕性、較高的性價比等優點,使得鍍鋅塔被廣泛應用于制造業、食品飲料、數據中心等行業的循環水系統中。雖然具有比碳鋼優異的耐腐蝕性,但應用條件控制不當時,鍍鋅鋼也會出現較為嚴重的腐蝕問題,并影響設備的使用運行。隨著循環水管理的精細化,用戶也逐漸關注到鍍鋅塔的腐蝕問題及其對系統運行的影響。
1鍍鋅層的快速腐蝕會縮短設備使用壽命,尤其對較薄的鍍鋅板,可能出現較快的腐蝕穿孔。這會增加系統運行維護成本。
2鍍鋅層腐蝕會產生白銹,基底鋼的腐蝕會加速鋅層的剝落,白銹和鋅層的剝落都容易污堵換熱器,進而影響換熱效率,增加能耗;增加設備停機清洗頻率,增加系統非故障停車時間,降低生產效率,影響生產穩定。
3影響設備外觀。
今天,我們就來講講鍍鋅塔的前世今生,以及如何能夠更好的控制鍍鋅塔的腐蝕,最大程度的避免問題的發生。
文章比較長,我們會分三點來介紹:
1、冷卻塔鍍鋅材質的制造和防腐機理及早期水處理方案
2、水處理方案演變對鍍鋅塔腐蝕控制的影響,系統啟動前期鍍鋅塔的維護
3、系統啟動后鍍鋅塔腐蝕控制:不同階段的控制指標和鍍鋅層修復
1
冷卻塔鍍鋅材質的制造和防腐機理
及早期水處理方案
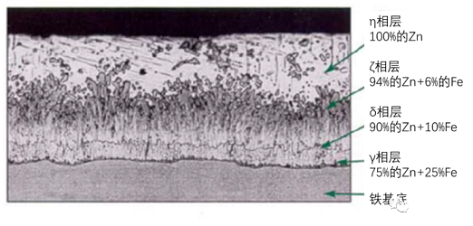
自上世紀50年代起,鍍鋅鋼就開始用于冷卻塔的制造,依賴其優良的緩蝕性能以及性價比,鍍鋅鋼已廣泛用于集成式冷卻塔,蒸發式冷凝器,閉式冷卻塔等多種冷卻塔的制造。鍍鋅鋼可以通過熱浸鍍鋅、電鍍鋅、機械鍍鋅、熱噴涂等多種工藝制備,其中冷卻塔制備所用鍍鋅材質主要是通過熱浸鍍鋅工藝制備的。熱浸鍍鋅是將表面經過清洗處理的鋼鐵件浸入熔融鋅浴中,通過鐵鋅之間的合金擴散,在鋼鐵表面生成鍍鋅層。這其中,最表層為純鋅層,鋅、鐵之間是鋅鐵合金層(圖1)。

圖1. 熱浸鍍鋅層組織顯微照片
熱浸鍍鋅之后,通常會緊跟一步鈍化處理工藝對鍍鋅表面進行處理,以促進鋅層表面形成一層鈍化膜,提升其使用過程中的耐腐蝕性以及使用壽命。優異的鈍化工藝能有效降低及延緩腐蝕的發生,尤其對設備儲存以及使用早期腐蝕的抑制。最為經典的鈍化工藝是使用鉻酸鹽溶液,它能快速高效地在鋅層上形成致密的鈍化膜。
鍍鋅層對鋼鐵基底的防腐是從物理隔離保護和陰極保護兩方面作用的:
一方面完整的鍍鋅層作為物理屏障,有效將基底的鐵與外界的水、空氣等隔離開,避免了基底鐵金屬的腐蝕;
另一方面,當部分鍍鋅層破損后,鋅與鐵基底間形成的原電池,鋅作為陽極發生氧化反應,鐵作為陰極被保護,即陰極保護或犧牲陽極保護。
但應當注意,鋅在特定水中,尤其是在溫度>65ºC使用時可能發生極性反轉的情況。發生極性反轉時,鋅的活性降低而將轉化為陰極,鐵變成陽極,從而會加速裸露鐵基底的腐蝕速度。高溫通常是發生極性反轉的一個必要條件(>65ºC),另外,極性反轉與水質中相關離子濃度也有關。

圖2. 鋅層在不同pH值水中的腐蝕速率(20°C和60°C)
鋅作為兩性金屬,在低pH值及高pH值條件下都容易發生腐蝕。室溫條件下,其相對穩定的pH區間在中性左右,溫度越高,穩定的pH區間越窄(圖2)。
雖然鋅的電極電位比鐵低,金屬活性比鐵高,但由于鋅在環境中能在表面形成一層致密鋅的氧化物類的保護層,即鋅的鈍化膜,有效將鋅與外部環境隔離,大大降低了鋅的腐蝕速率。通常情況下,不論在大氣環境還是水中應用,鍍鋅鋼鐵件的使用壽命要遠超未鍍鋅的鋼鐵件,這也是將近一半鋅的產量被用于鋼鐵表面作為防腐層的原因。
當鋅表面形成疏松的腐蝕產物時,雖然這類腐蝕產物的成分與致密鈍化膜的成分相似,但疏松的結構很難對鋅起到保護作用,通常這類腐蝕產物呈現為白/灰色,膠狀或蠟狀結構,俗稱白銹。

圖3. 白銹
鈍化工藝中的鉻酸鹽,也是早期用于循環水處理中控制腐蝕的化學藥劑。由于鉻酸鹽不僅能促進鋅層表面快速形成鈍化膜,且其方案通常是在中性及弱酸性條件下運行,這與鍍鋅材質的穩定pH值范圍重合,這些特性使得鉻酸鹽方案能有效抑制鍍鋅材質的白銹問題。
但由于其對環境的危害巨大,循環冷卻水處理已經禁止使用鉻酸鹽方案。磷酸鹽作為替代方案逐漸用于循環水處理的緩蝕劑,可是隨著時代的發展,環保要求的變化,磷的使用濃度也受到了限制。
2
鍍鋅塔循環水處理方案的演變對鍍鋅塔腐蝕控制的影響,系統啟動前期鍍鋅塔的維護
上面講到,自上世紀80年代起,由于對環境的危害巨大,循環冷卻水處理已經禁止使用鉻酸鹽方案。
磷酸鹽作為替代方案逐漸用于循環水處理的緩蝕劑。早期的磷酸鹽方案是通過加酸控制水質pH在中性左右以降低系統水質的結垢壓力,并通過磷酸鹽控制系統腐蝕,即穩定磷酸鹽方案。
磷酸鹽能促進鍍鋅層表面的鈍化,早期使用的磷酸鹽濃度也較高,同時使用的pH值范圍也利于鋅層的穩定,這個階段的水處理方案也能有效抑制鋅層腐蝕。但隨著加酸帶來的安全壓力以及用水成本的上升,冷卻水處理逐漸向高pH值、高濃縮倍數控制方向發展。
80年代后期開發的高性能聚合物分散劑和有機膦阻垢劑的使用大大提升了這個方向的發展速度。通過高性能的阻垢藥劑(有機膦藥劑、分散劑)維持較高pH值運行,降低了水質的腐蝕性,并進一步通過磷酸鹽方案來優化腐蝕控制,但磷酸鹽的濃度卻大大降低。pH值的上升和磷酸鹽濃度的下降,也導致了鍍鋅冷卻塔白銹問題從這個階段開始頻繁出現,并逐漸引起業內人士的關注。
1、節水與環保雙重壓力下鍍鋅塔循環水處理的新挑戰
隨著環保要求的逐步提高,磷的使用濃度進一步受到限制,低磷或無磷的處理方案也被客戶廣泛要求和使用。隨著提升水的利用效率的要求,成分復雜的工業水以及鹽分很低的反滲透回用水也逐漸作為循環水的補水使用,使得循環水水質更為復雜多變。
苛刻的水質條件(高pH、氯離子、硫酸根)以及環保要求的提升(低磷、無磷方案的應用)進一步加劇了冷卻塔的白銹問題。雖然已有不少針對鋅的緩蝕劑的研究工作,但目前市場上還沒有見到具有成功意義的案例,冷卻塔白銹的控制仍舊需要綜合設備制造加工和后期運行維護兩個方面進行優化。
白銹作為松散的腐蝕產物,對鋅層并沒有保護作用。相反,作為沉積物,白銹會促進其底部的鋅層的腐蝕。而鋅作為活性較高的金屬,在形成不了較為有效的鈍化膜時,其腐蝕速度會大大提升,而最終發展為鍍鋅層局部腐蝕穿孔而裸露基底的碳鋼材質。雖然鍍鋅層會進一步以犧牲陽極的方式保護裸露的碳鋼材質,但這種保護的作用距離往往在毫米級別,不能有效保護較大區域的碳鋼基底,最終可能導致碳鋼基底缺乏有效保護而腐蝕穿孔,大大縮短了鍍鋅設備的使用壽命。
2、要做好鍍鋅塔的腐蝕控制需要考量和控制的關鍵階段
(1)設計階段
在系統設計階段,業主、冷卻塔供應商以及水處理供應商應根據系統運行條件、水質條件以及環保要求等多方面的因素確定鍍鋅冷卻塔是否能滿足相應的運行要求。若由于各種原因,鍍鋅塔不能滿足現場應用要求,應考慮其它材質的冷卻塔,如不銹鋼、玻璃鋼、塑料或具有環氧涂層的鍍鋅材質等。在設備的制造過程中,應確保使用的鍍鋅材質經過相應的鈍化工藝處理,以提升材質在后期存放及使用時的耐腐蝕性。在設備投用前,應保持設備處于干燥通風的狀態,以避免潮濕空氣以及水滴對鍍鋅層的腐蝕(潮濕儲存銹斑)。
(2)投用前鍍鋅設備的儲存階段
因為很多設備本身鍍鋅就是為了提升在自然環境中的耐腐蝕性,人們往往容易忽視鍍鋅設備在使用前的腐蝕問題。當鍍鋅設備或材料保存不當,長期處于潮濕且較為密閉的環境中時,容易導致鋅層表面長期存在一定的液滴,進而產生了水-空氣-鋅三相界面,形成了氧氣的濃差電池,促進液滴下面鋅層的腐蝕。比如密集堆放在室外的鍍鋅材料,雨水過后在材料夾縫的水很難及時流走或被流動空氣吹干,就容易出現白銹。
輕微的白銹在設備或材料更換為合適的運行環境后,會逐漸被修復轉化為鈍化層,但嚴重的白銹或者甚至有黑色腐蝕產物出現時(圖4),說明鍍鋅層已局部被嚴重或者完全破壞,這時必須去除腐蝕產物并進行必要的修復才能讓設備投入使用,否則后期容易導致局部的腐蝕穿孔。鍍鋅設備或材料在保存時需要注意:
1.盡量放在陰涼、干燥、通風的地方;
2.堆放的材料可以使用墊木使其相互隔離以促進空氣流動,保持一定的傾斜度以利于水從表面排走;
3.切勿直接放在土壤地面或草地植被之上,應架空放置;
4.對密閉空間應吹干并放置干燥劑保存;
5.使用鈍化過的鍍鋅材質;

圖4. 較為嚴重的鋅層腐蝕狀況
3
系統啟動–日常運維–停機
三個階段的控制要點
鋅的電極電位較低,屬于活性較高的金屬,其主要通過在表面形成致密的鈍化層來保護基底,降低腐蝕速率,且作為兩性金屬,偏高或偏低的pH值都會破壞鈍化膜而加速腐蝕的發生。除了pH值外,水中的可溶性離子也會影響鋅的腐蝕:
● 低硬度的水對鋅具有更強的腐蝕性;
● 堿度除了與pH值關聯外,也會參與鈍化膜的形成,適當濃度的堿度能有效抑制鋅的腐蝕,過高的堿度會提升pH而增加水質對鋅的腐蝕性;
● 氯離子、硫酸根會促進鍍鋅腐蝕,氯離子的影響會更大一些;
● 0.1ppm的銅離子就會促進鋅層表面形成電偶腐蝕;
由于目前并沒有針對鋅腐蝕的優良緩蝕劑,當系統投入使用后,循環水的水質控制以及運行維護對鍍鋅冷卻塔的腐蝕控制就至關重要了。根據循環水運行的工況,可分成啟動、日常運維以及停機等三種階段,每個階段都有需要注意的控制指標以及注意事項。
1、系統啟動階段
系統啟動階段是白銹最容易發生的階段,良好的啟動過程將為后期的運行維護以及延緩鍍鋅材質的白銹打下良好的基礎。
系統啟動前或初期,應對鍍鋅材質進行必要的鈍化預膜操作。與常規系統類似,鈍化預膜操作能有效降低金屬表面活性,避免系統初期的快速腐蝕。與碳鋼類材質不同的是,鍍鋅材質的鈍化預膜過程對水質及系統運行情況的要求更為嚴格:
01
建議鈍化、預膜在冷態或低負荷條件下進行。鈍化結束向日常運維切換過程中以及切換早期,建議逐漸提升熱負荷。
02
控制水質pH值在6.5-8.0之間,保持>50ppm的鈣硬(以CaCO3計)。當使用次氯酸鈉類氧化型殺菌劑時,應控制每次投加的濃度,建議余氯控制在0.5ppm(以Cl2計)以內。建議采取長時間緩慢投加而非沖擊性大量投加以避免高濃度余氯對鋅層的沖擊。也可投加非氧化性殺菌劑來降低次氯酸鈉的使用量。
03
磷酸鹽目前仍舊是鍍鋅材質最為合適的鈍化藥劑,維持合適的磷酸鹽以及鈍化時間,能有效幫助鋅層表面的鈍化。系統有銅材質時,需要添加銅緩蝕劑來避免銅離子在鋅層表面引起的電偶腐蝕。與碳鋼材質不同的是,鋅層的鈍化往往需要更長的時間,良好的鈍化操作需要幾周以上的時間。在此期間需要盡可能維持冷態或較低負荷運行,或采取逐漸緩慢提升負荷方式運行。
04
在系統內投加化學藥劑時,盡可能遠離鍍鋅材質以降低對鋅層的沖擊性腐蝕。很多化學藥劑酸性或堿性都較強,藥劑在系統內分散混勻之前,會產生局部較為苛刻的水質環境,比如低pH值或高pH,這些局部苛刻的水質環境對鋅的腐蝕性也較強。
05
做好系統監測。可以通過肉眼觀察,拍照或者掛腐蝕掛片的方式監測鈍化預膜的操作。當然在系統鈍化預膜前,應對系統鍍鋅層進行必要的檢查,排除或修復貯存期間發生的腐蝕或破損問題。可以選擇幾個不同位點,通過定期拍照記錄的方式監測鈍化過程。
2、日常運維階段
一旦系統預膜結束,就要逐步切換到日常運維階段。雖然鈍化預膜打下了良好的基礎,但日常水質仍需要嚴格控制。
(1)維持合適的水質控制范圍,建議:
a)pH 最優7-8.3, 不應超過9.0;
b)鈣硬>50ppm(以CaCO3計)
c)堿度100-300ppm(以CaCO3計)
d)氯離子<250ppm (以Cl計),硫酸根<250ppm (以SO4計)
e)余氯<0.5ppm (以Cl2計)
系統鈍化預膜結束切換到運維階段的早期,應逐漸提升熱負荷,以降低濃縮倍數提升的速度和pH提升的速度。當系統水質堿度、pH較高時,可通過加酸或者對補水進行必要的預處理等方式降低系統水質pH。維持次氯酸鈉長時間平穩的投加而非短時間沖擊性高濃度投加。
(2)避免高濃度藥劑與鋅層直接接觸。
加藥點(緩蝕阻垢劑、殺菌劑、酸、堿等)附近區域在加藥過程中往往都具有較高的藥劑濃度,水質條件相對苛刻,對鋅層的腐蝕性也較高。禁止將固體藥劑直接放置在鋅層表面。維持合適的水處理藥劑濃度,過高或過低的藥劑濃度都會影響鋅層的腐蝕控制。
(3)做好系統監測。
可以通過肉眼觀察,拍照或者掛腐蝕掛片的方式監測鋅層腐蝕。
當系統開始出現鍍鋅腐蝕,應及時排查原因并優化處理方案和水質控制指標,盡可能將腐蝕控制在輕微狀態。若長時間維持在較高pH運行,并發現鋅層腐蝕控制開始惡化,應適當調控水質來緩解,可采取降低濃縮倍數或加酸等操作。當系統出現較為嚴重的腐蝕時,應對腐蝕區域進行修復、鈍化后再投入使用。
3、系統停機階段
停機狀態的腐蝕是最難控制的,藥劑和腐蝕產物擴散都受到限制,微生物的滋生會進一步惡化腐蝕控制。具體停機狀態的整體操作可參見循諾環保公眾號文章《數據中心循環水系統低負荷運行及停機操作要點》。對鍍鋅材質需要注意:
01
停機期間,有條件排空的,盡量排空鍍鋅塔內的水,這可保持鍍鋅塔在停機期間表面處于干燥狀態。
02
若無條件排空,則需維持合適的水質,水質范圍與運維控制范圍一致。
03
定期需要啟動循環泵讓系統內水循環,并根據水質情況置換部分水質,補充殺菌劑和緩蝕阻垢劑。
04
長時間停機再啟動,應對系統做必要的清洗預膜操作。
總的來說,循環水的水質控制直接影響鍍鋅材質的腐蝕控制,在啟動階段、日常運維階段以及停機階段都需要維持合適的水質條件(表1)
|
指標 |
控制范圍 |
|
鈍化pH |
6.5-8.0 |
|
鈍化時間 |
4-8周 |
|
運行pH |
7.0-8.3(最優) 7.0-9.0 |
|
鈣硬 (以CaCO3計) |
>50ppm |
|
堿度(以CaCO3計) |
100-300ppm |
|
氯離子(以Cl計) |
<250ppm |
|
硫酸根(以SO4計) |
<250ppm |
|
余氯(以Cl2計) |
<0.5ppm |
鍍鋅層的修復
當鋅層表面有明顯的腐蝕白銹時,應對白銹進行清除并進行修復。在此之前應當判斷表面的白色/灰色沉積物是不是由于鋅層腐蝕產生的白銹,因為在循環水系統中,結垢或者沉積也會在金屬表面形成一層白色/灰色物質。可對垢樣進行必要的成分分析或者揭開垢樣觀察底部金屬的腐蝕狀態來確定垢樣的來源。對中小尺寸的白銹,一般可通過硬的鬃毛刷去除。對較大尺寸或大面積的白銹,可以通過一些具有絡合能力的酸性清洗劑清洗,但應注意用化學藥劑清洗后要用水進行充分的沖洗,以避免殘留的化學品對鍍鋅層以及基底的腐蝕。對一些老系統表面形成的較為致密的白銹,應謹慎判斷是否需要去除。一方面這些白銹可能已為下面金屬基底提供良好的保護作用;另外,白銹下也可能嚴重腐蝕、甚至穿孔,需要全面排查后做出判斷并做好相應的修復準備。
鍍鋅層的修復有熱噴涂鋅,涂敷富鋅漆,融敷鋅合金等方法,修復前還應對待修復表面進行必要的打磨及清洗處理,具體修復操作可參考GB13912,GB9793和ASTM A780等相關標準或咨詢設備廠家。修復后應對修復區域進行檢查,確保修復層的完整以及和周邊區域的緊密貼合,避免貼合不嚴引起滲漏及誘導的局部腐蝕問題。
全新3A分子篩廠家詳情點擊:http://www.yattongwu.com/